Die Airlineschiene richtig wählen: Profile, Unterschiede und Einsatzbereiche im Praxisvergleich
Die Airlineschiene ist im modernen Transportalltag kaum wegzudenken. Sie schafft flexible Zurrpunkte, bringt Ordnung in den Laderaum und macht Ladungssicherung wiederholbar – egal ob im Transporter, Anhänger, LKW, Wohnmobil oder im Sonderfahrzeug.
Wir betrachten die verschiedenen Airlineschienen-Profile aus dem Sortiment von kurierbedarf.com, erläutern ihre technischen Unterschiede und zeigen praxisnah, welche Airlineschiene sich für welchen Einbauort und welche Belastung eignet.
Was ist eine Airlineschiene und wie funktioniert sie?
Eine Airlineschiene ist ein Aluminiumschienensystem mit genormtem Lochraster, in das spezielle Fittings eingesetzt werden. Diese Fittings dienen als variable Zurrpunkte für Zurrgurte, Sperrbalken oder Sicherungsnetze. Der große Vorteil einer Airlineschiene liegt darin, dass sich der Zurrpunkt jederzeit neu positionieren lässt – ohne Umbau oder zusätzliche Befestigungspunkte.
Durch diese Flexibilität eignet sich eine Airlineschiene besonders für Fahrzeuge mit wechselnden Transportaufgaben. Sie kombiniert hohe Belastbarkeit mit geringem Eigengewicht und ist sowohl im gewerblichen als auch im privaten Einsatz bewährt.
Welche Airlineschiene passt? Der Einbauort entscheidet
Die wichtigste Frage bei der Auswahl einer Airlineschiene lautet: Wo soll sie montiert werden? Je nach Einbauort unterscheiden sich die Anforderungen an Aufbauhöhe, Profilform und Montageart erheblich.
- Airlineschiene als Halbrundprofil (Standard, Light, Slim, Heavy Duty)
- Airlineschiene als Flachprofil (Standard, Light, Strong, schwarz)
- Airlineschiene als Bodenprofil (Light, Heavy Duty, mit Flügeln)
Airlineschiene als Halbrundprofil: der vielseitige Klassiker
Die Airlineschiene im Halbrundprofil ist eine der am häufigsten eingesetzten Varianten. Sie eignet sich sowohl für Wand- als auch für Bodenmontage und bietet eine gute Kombination aus Stabilität und einfacher Handhabung.

Halbrundprofil Standard (50 mm)
Das Standard-Halbrundprofil ist die klassische Airlineschiene für den täglichen Einsatz im Transporter. Sie ist robust, vielseitig einsetzbar und in vorgebohrten sowie ungebohrten Varianten erhältlich. Vorgebohrte Profile erleichtern die Montage, während ungebohrte Airlineschienen maximale Flexibilität bei individuellen Fahrzeugausbauten bieten.
Halbrundprofil Heavy Duty (DIN 75078-2)
Die Airlineschiene als Heavy-Duty-Halbrundprofil ist für höchste Belastungen ausgelegt. Sie wird unter anderem für Rollstuhlsicherung und den Personentransport eingesetzt und erfüllt die Anforderungen der DIN 75078-2. Entscheidend ist hier nicht nur die Schiene selbst, sondern auch eine fachgerechte Montage mit M6-Senkkopfschrauben hoher Festigkeitsklasse und engem Schraubenraster.

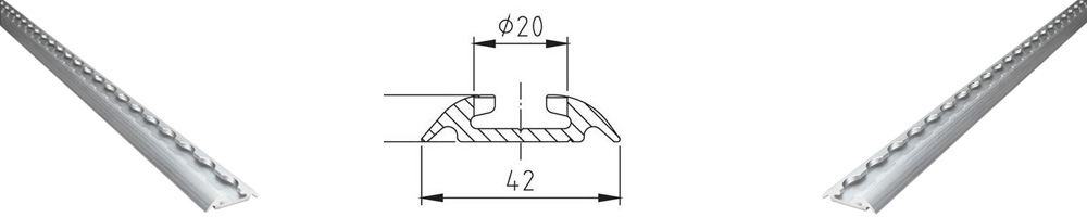
Halbrundprofil Light (42 mm)
Die Airlineschiene im Halbrundprofil Light ist eine leichtere Variante für Ausbauprojekte und Anwendungen mit mittleren Lasten. Sie eignet sich besonders für Camper, Wohnmobile und leichte Transporter. Trotz reduziertem Gewicht bietet sie eine solide Belastbarkeit und volle Kompatibilität mit gängigem Airline-Zubehör.
Halbrundprofil Slim (40 mm)
Wenn der Platz begrenzt ist, bietet sich die Airlineschiene im Slim-Halbrundprofil an. Mit einer Breite von 40 mm und M5-Senkbohrungen im 100-mm-Raster ist sie ideal für schmale Seitenwände, Heckgaragen oder kompakte Fahrzeuge. Sie ist für leichtere bis mittlere Sicherungsaufgaben konzipiert.
Airlineschiene als Flachprofil: flach integriert und vielseitig
Eine Airlineschiene im Flachprofil wird bevorzugt eingesetzt, wenn eine geringe Aufbauhöhe oder eine besonders saubere Integration gewünscht ist. Sie eignet sich hervorragend für Seitenwände, Böden oder Möbelkonstruktionen.

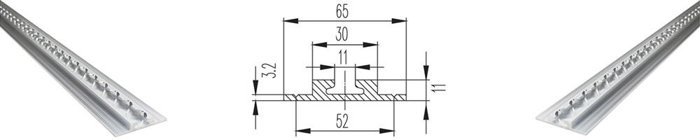
Flachprofil Standard (ca. 11 mm Höhe)
Die Standard-Flachprofil-Airlineschiene bietet eine sehr geringe Aufbauhöhe bei gleichzeitig hoher Stabilität. Sie ist eine gute Wahl für Anwendungen, bei denen der Laderaum möglichst eben bleiben soll.
Flachprofil Strong
Die Airlineschiene im Flachprofil Strong verfügt über einen verstärkten Mittelboden und ist für hohe Zugkräfte ausgelegt. Sie kann geschraubt, genietet oder geklebt werden und ist ideal für anspruchsvolle gewerbliche Anwendungen.
Schwarze Flachprofil-Airlineschiene
Technisch identisch mit der Standard-Variante, bietet die schwarze Airlineschiene eine alternative Optik für moderne oder designorientierte Fahrzeugausbauten. Sie wird häufig in Campern oder hochwertigen Servicefahrzeugen eingesetzt.
Airlineschiene als Bodenprofil: bündig, trittfest und sicher
Die Airlineschiene als Bodenprofil wird bündig in den Fahrzeugboden eingelassen und verhindert Stolperkanten. Sie eignet sich besonders für Transporter mit Siebdruckboden oder Sandwichkonstruktionen.

Bodenprofil Light (ab ca. 9,5 mm Einbauhöhe)
Das Bodenprofil Light ist extrem flach und eignet sich für dünne Böden. Es erfüllt relevante Normen wie DIN 75410-1, EN 12640 sowie ISO 27956 und ISO 27955. Diese Airlineschiene wird ungebohrt geliefert, um individuelle Befestigungspunkte zu ermöglichen.
Bodenprofil Heavy Duty
Für sicherheitskritische Anwendungen ist die Airlineschiene als Heavy-Duty-Bodenprofil die richtige Wahl. Trotz flacher Bauform ist sie für höchste Belastungen ausgelegt und wird unter anderem für Rollstuhlsicherung nach DIN 75078-2 eingesetzt.
Bodenprofil mit Flügeln
Diese Variante ermöglicht eine besonders saubere Integration in gefräste Böden. Wichtig ist eine sorgfältige Montage, da hervorstehende Nieten oder Schraubenköpfe das Einsetzen von Fittings beeinträchtigen können.
Montage einer Airlineschiene: kurz erklärt
Die Leistungsfähigkeit einer Airlineschiene hängt entscheidend von der Montage ab. Übliche Empfehlungen aus der Praxis sind:
- M5-Senkkopfschrauben (Festigkeit 10.9) für Light-Profile
- M6-Senkkopfschrauben (Festigkeit 10.9) für Heavy-Duty-Profile
- Maximaler Schraubenabstand ca. 75 mm
Bei weichen oder mehrschichtigen Untergründen sollten Gegenplatten oder Verstärkungen verwendet werden, um die Last sicher in den Fahrzeugboden oder die Karosserie einzuleiten.
Welche Airlineschiene ist die richtige? Entscheidungshilfe
- Transporter-Alltag: Airlineschiene als Halbrundprofil Standard
- Camper-Ausbau: Airlineschiene als Halbrundprofil Light oder Flachprofil
- Enge Bereiche: Airlineschiene als Halbrundprofil Slim
- Bündiger Boden: Airlineschiene als Bodenprofil Light
- Rollstuhlsicherung: Airlineschiene als Heavy-Duty-Profil
Fazit: Die richtige Airlineschiene entscheidet über Sicherheit
Wer die passende Airlineschiene auswählt, profitiert von einer sicheren, flexiblen und professionellen Ladungssicherung. Entscheidend sind nicht Marketingbegriffe, sondern Einbauort, Profilform, Belastungsklasse und Montage. Wird all dies berücksichtigt, ist die Airlineschiene ein langlebiges System für nahezu jede Transportaufgabe.
